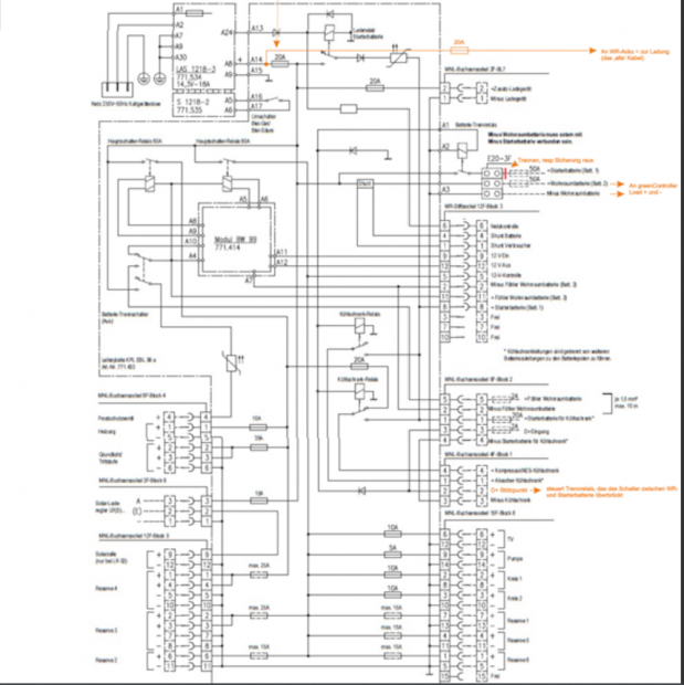
двухполюсный автоматический выключатель на 220 В
Это кто такой ?
двухполюсный автоматический выключатель на 220 В
chili писал(а):двухполюсный автоматический выключатель на 220 В
Это кто такой ?
DTV писал(а):Это кто такой ?
http://www.el.ru/catalogue/control-systems/28/160
http://www.el.ru/catalogue/control-systems/22/294
DTV писал(а):не согласен! я привел выключатель, который тупо размыкает 2 линии (хоть переменного, хоть постоянного тока), который устанавливается между контроллером и СП, а вы предлагаете автомат линейной защиты! я думаю, что автомат тут не нужен! На нем будут очень большие потери! приведите пример, когда нужна защита данной линии автоматом линейной защиты?
Михаил СПб писал(а):Так и "выключатель, который тупо размыкает 2 линии (хоть переменного, хоть постоянного тока), который устанавливается между контроллером и СП" в данном случае совсем не нужен...![]()
(ИМХО)
Например на даче стоят 2 автомата независимых и "выбивает" всегда один из 2-х. Если поставить спаренный, то ток при котором они срабатывают чуть-чуть выше.... 

Михаил СПб писал(а):DTV писал(а):не согласен! я привел выключатель, который тупо размыкает 2 линии (хоть переменного, хоть постоянного тока), который устанавливается между контроллером и СП, а вы предлагаете автомат линейной защиты! я думаю, что автомат тут не нужен! На нем будут очень большие потери! приведите пример, когда нужна защита данной линии автоматом линейной защиты?
Так и "выключатель, который тупо размыкает 2 линии (хоть переменного, хоть постоянного тока), который устанавливается между контроллером и СП" в данном случае совсем не нужен...![]()
(ИМХО)




DTV писал(а):не согласен! я привел выключатель, который тупо размыкает 2 линии (хоть переменного, хоть постоянного тока), который устанавливается между контроллером и СП, а вы предлагаете автомат линейной защиты! я думаю, что автомат тут не нужен! На нем будут очень большие потери! приведите пример, когда нужна защита данной линии автоматом линейной защиты?

Сейчас этот форум просматривают: нет зарегистрированных пользователей и гости: 5